欢迎来到学术参考网

智能照明控制系统的设计

发布时间:2016-03-17 17:06

  目前我国高校的教学楼和学生宿舍的照明系统大多采用定时方式控制[1],虽然控制简单且易于实现,但同时存在很多问题:在夜间人流量很少时,灯具全部点亮将造成电能的大量浪费;此外,定时照明方式使照明系统工作状态不能灵活调整,尤其在雷雨和雾霾天气时,带来安全隐患。本文所设计的智能照明控制系统,能够根据学校不同区域的不同功能需求,设置照明模式与照明时间,实现对照明系统的动态智能化管理。

  

  1系统硬件模块

  

  本系统的设计是基于51系列单片机,由7个硬件模块构成,分别为控制、定时、光控、声控、按键、显示、照明。其中光控、声控模块实现对外界光、声信号的采集与判断;定时实现照明系统的照明时间控制;控制模块采用STC89C52单片机,根据外界光、声及定时信号控制照明电路,切换不同的工作状态以适应外界需求。照明系统架构如图1所示。

  blob.png

  1.1 控制模块

  

  本文采用STC89C52单片机,具有8位CPU和系统内可编程Hash,是一种低功耗、高性能微控制器。在本文的设计中控制模块接收定时模块的时间及外部环境的光、声信号,通过判断照明级别,控制照明灯的工作状态,实现照明系统的智能动态化管理。

  

  1.2输入模块


    1.2.1定时模块

  

  定时模块采用了DS1302芯片,用于给整个系统提供日期与时间信息,它不仅功耗低,高性能,还具有掉电走时的功能,即使在单片机断电的情况下它也不会停止计时。同时也便于系统对于当前是否到达设定的夜间时间进行判断。

  

  1.2.2光控模块

  

  光控模块中使用光敏电阻来采集光信号,并使用LM393比较器对光信号强度进行判断。图2为光控电路,比较器的同相输入和反相输入端连有电位器,在没有自然光照的情况下调整电位器,将两个输入端的电位保持一致,此时比较器会输出低电平信号。当光敏电阻被自然光照射时,其阻值会大幅度的减小,从而使得比较器的同相输入端电位升高,比较器输出高电平信号。通过比较器输出信号至单片机P1.4端口,单片机可以判断外界光强是否到达阈值强度,模块工作状态的改变。

blob.png

   1.2.3声控模块

  

  声控模块中采用驻极体话筒(图3中用R6电阻替代)采集声信号,它是电容话筒的一种,灵敏度高气声信号强度的判断采用LM393,原理同光控电路,最后信号输出至单片机P1.3端口,如图3所示。

  blob.png

  图3声控电路图Fig.3Circuitofvoicecontrolsystem

  

  1.3 输出模块

  

  1.3.1 显示模块

  blob.png

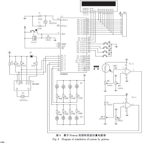
  如图4所示,显示电路采用LCD1602液晶显示当前的日期与时间,LCD1602液晶可以显示两行,每行16个字符,夕卜加的电位器可以随时调节液晶显示屏的对比度气

  

  1.3.2 照明模块

  

  如图4所示,照明模块是用2排8个LED灯来模拟照明灯的3种工作状态:熄灭、间隔亮与全亮。当工作在熄灭或全亮状态时,8个LED灯全部熄灭或点亮;当需要间隔亮时,2排LED灯亮起1排,提供强度相对较小的照明。

  

  2 系统软件设计

  

  智能照明系统将时间、光照、声音结合起来判断外界环境的变化,并且为照明灯设置3种工作状态以提供不同的照明强度,分别为全亮、间隔亮和熄灭状态。系统运行流程如图5所示。

  blob.png

  图5系统运行流程图Fig.5Flowchartofsystem

  

  在照明灯工作状态控制中,对宿舍楼设置时间为18:00〜次日6:00,教学楼设置时间为18:00〜24:00,称为夜间模式,在设定时间内,照明灯工作在间隔亮状态,提供夜间基本的照明。如果此时声控模块采集到的声强强度大于阈值强度,说明教学楼或宿舍的人流量较大,照明模块会切换至全亮状态,提供高强度的照明,并且在声音信号消失后,还会延时5s再恢复间隔亮的工作状态,以保证夜间活动对照明的需求。

  

  在设定时间之外,如遇到雷雨或雾霾天气,照明系统对外界的自然光强度进行采集与判断,即使未在夜间模式也需要一定的照明,因此当光控模块采集的光强强度小于阈值强度时,照明模块便会工作在间隔亮的状态,保证教学楼或宿舍的基本照明;再通过对声音信号的采集和判断,如果人流量较大,则照明模块又会再切换至全亮状态。

  

  3 系统测试

  

  根据系统的功能要求,对系统在所有情况下的工作状态(预置的设定时间为18:00〜6:00)进行测试,测试电路如图6所示。

  blob.png

  图6实际测试电路Fig.6Pictureoftherealtestcircuit

  

  当未到设定时间、光强>阈值时,LED灯熄灭;当未到设定时间、光强<阈值、声强<阈值时,LED灯间隔亮;

  

  当未到设定时间、光强<阈值、声强>阈值时,LED灯全亮;

  

  当到达设定时间、声强<阈值时,LED灯间隔亮;

  

  当到达设定时间、声强>阈值时,LED灯全亮。

  

  由此可见,本系统在各种情况下均按照要求切换工作状态,符合设计要求。

  

  4结束语

  

  本文根据高校的教学楼和学生宿舍的照明需求,设计的智能照明系统可以根据设置时间和外界环境光、声的变化自适应地调整照明系统的工作状态,实现对照明系统的动态化管理。本系统还可以应用于公共场所的照明,具有成本低、操作方便、易于扩展功能等特点,最大限度地节约电力能源


上一篇:中国科技园区域创新能力的智能评价

下一篇:现代科技与智能住宅